Каталог ИПЛТ и ТПТС 2016
Презентация ТПТС и ПИМ-530Д
Сертификат соответствия
Зонная коробка ZB-5-QC
ИПЛТ Руководство по эксплуатации. Паспорт
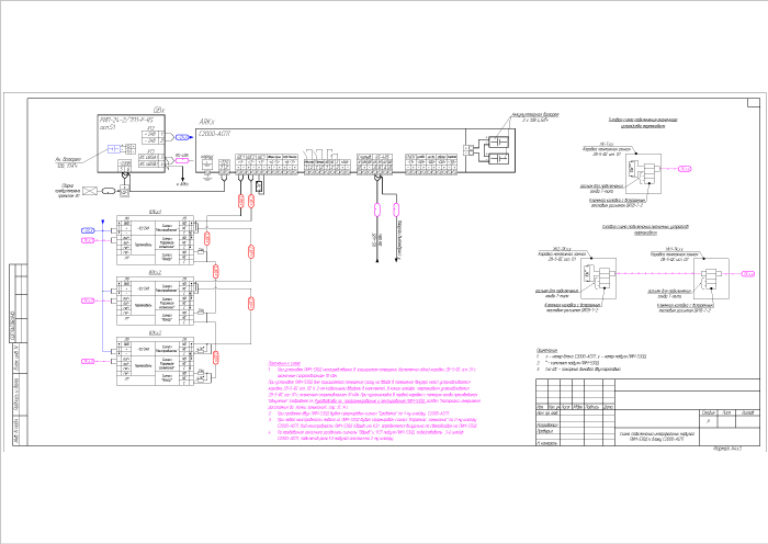
Схемы подключения ПИМ-530Д-С2000-АСПТ и ПИМ-530Д-СФ-АР5008 в формате DWG
Схема подключения интерфейсных модулей ПИМ-530Д к модулю СФ-АР 5008
Схема подключения интерфейсных модулей ПИМ-530Д- к блоку С2000-АСПТ
Руководство по программированию ПИМ-530Д
Паспорт ПИМ-530Д
Патент US 2,185,944
Патент US 8,096,708B2
Патент RU
Описание изобретения к патенту
Задать вопрос специалисту
Нажимая на кнопку, вы даете согласие на обработку персональных данных и соглашаетесь c
пользовательским соглашением.